تعتمد وحدة الطاقة هذه تصميمًا قياسيًا للتغليف وقاعدة نحاسية، وهي مصممة خصيصًا لمحولات التردد، ووحدات الإمداد بالطاقة غير المنقطعة، ومحركات التشغيل، وآلات اللحام. تتميز بجهد انهيار يصل إلى 650 فولت، وقدرة عالية على تحمل قصر الدائرة، ودرجة حرارة تشغيل للوصلة تصل إلى 150 درجة مئوية. تدعم هذه الوحدة الإنتاج بكميات كبيرة وتتوافق مع الدوائر الصناعية الشائعة، مما يلبي بسهولة متطلبات التطبيقات الصناعية العامة.
أبرز مميزات المنتج الأساسية
جهد عالٍ وتيار عالٍ، قدرة تحميل مستقرة
خسارة منخفضة وكفاءة عالية
تبديد ممتاز للحرارة وعمر افتراضي طويل
سيناريو التطبيق: محول التردد
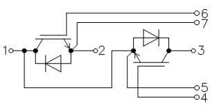
1. محول التردد
2. مصدر طاقة غير منقطع
3. محرك القيادة
4. ماكينة اللحام الكهربائي
الأسئلة الشائعة
س1: كم عدد الأجهزة الكهربائية التي يمكن لهذه الوحدة دعمها؟
أ: مواصفات 650 فولت / 200 أمبير، مناسبة لمحولات الطاقة / المحركات متوسطة إلى كبيرة الحجم بمستوى عدة آلاف من الكيلوواط.
س2: ما هو نطاق درجة حرارة التشغيل؟
ج: نطاق درجة حرارة وصلة التشغيل -40 درجة مئوية ~ 150 درجة مئوية، مما يضمن التشغيل الموثوق به في بيئات درجات الحرارة العالية والمنخفضة الصناعية.
س3: ما هي ميزات الحماية والسلامة؟
أ: جهد تحمل العزل 2.5 كيلو فولت، مسافة الزحف 10 مم، قدرة عالية على تحمل قصر الدائرة، موثوقية نطاق درجة الحرارة الواسع، تلبي معايير السلامة الصناعية.
معايير المواصفات:
IGBT، العاكس
القيم القصوى المقدرة
المعلمة | رمز | شروط | قيم | وحدة |
جامع -eميتر vالجهد الكهربائي | Vمعرض الإلكترونيات الاستهلاكية | Tvj = 25 درجة مئوية | 650 | V |
تيار مستمر cجامع cالتيار | IC نوم | TC = 70 درجة مئوية، Tفي جي ماكس =150 درجة مئوية | 200 | A |
متكرر pهش cجامع cالتيار | Iإدارة علاقات العملاء | tP=1 ms | 400 | A |
المجموع pقوة dالتبذير | Pطفل | TC = 25 درجة مئوية، Tفي جي ماكس = 150 درجة مئوية | 698 | W |
بوابة-eميتر pهش vالجهد الكهربائي | VGES | - | ±20 | V |
القيم المميزة
المعلمة | رمز | شروط | قيم | وحدة | |||
دقيقة. | النوع. | الأعلى. | |||||
جهد تشبع الجامع-الباعث | VCE(sat) | VGE =15 فولت، IC = 200 أمبير | Tvj= 25 درجة مئوية Tvj= 125 درجة مئوية Tvj= 150 درجة مئوية | - - - | 1.70 2.00 2.10 | 1.9 - - | V |
جهد عتبة البوابة | VGE(th) | IC =3.2 مللي أمبير، VCE = VGE, Tvj = 25 درجة مئوية | 5.0 | 5.832 | 6.8 | V | |
مقاومة البوابة الداخلية | Rجينت | Tvj = 25 درجة مئوية | - | 2 | - | Ω | |
تيار قطع الجامع-الباعث | Iمعرض الإلكترونيات الاستهلاكية | VCE= 650 فولت، Vجنرال إلكتريك = 0 فولت Tvj = 25 درجة مئوية | - | - | 0.1 | mA | |
تيار التسرب بين البوابة والباعث | Iجي إي إس | VCE = 0 فولت، VGE = 20 فولت، Tvj = 25 درجة مئوية | - | - | 500 | nA | |
سعة الإدخال | Cies | VCE = 25 فولت، فولتGE = 0 فولت، f = 1 ميجاهرتز، تيvj = 25 درجة مئوية | - | 15000 | - | pF | |
سعة النقل العكسي | Cres | - | 280 | - | pF | ||
وقت تأخير التشغيل | tاِتَّشَح) | Vعلامة CE = 300 فولت، IC = 200 أمبير، VGE = ±15 فولت، RG =4.7 أوم
| Tvj = 25 درجة مئوية Tvj = 125 درجة مئوية Tvj = 150 درجة مئوية | - - - | 0.106 0.116 0.118 | - - - | μs |
زمن الصعود، الحمل الاستقرائي | tr | Tvj= 25 درجة مئوية Tvj= 125 درجة مئوية Tvj= 150 درجة مئوية | - - - | 0.103 0.109 0.11 | - - - | ||
زمن تأخير الإيقاف، الحمل الاستقرائي | td(off) | Tvj= 25 درجة مئوية Tvj= 125 درجة مئوية Tvj= 150 درجة مئوية | - - - | 0.165 0.177 0.179 | - - - | ||
زمن السقوط، الحمل الاستقرائي | tf | Tvj= 25 درجة مئوية Tvj= 125 درجة مئوية Tvj= 150 درجة مئوية | - - - | 0.084 0.096 0.1 | - - - | ||
فقد الطاقة عند التشغيل لكل نبضة | Eon | Tvj= 25 درجة مئوية Tvj= 125 درجة مئوية Tvj= 150 درجة مئوية | - - - | 1.591 3.045 3.442 | - - - | mJ | |
إيقاف فقد الطاقة لكل نبضة | Eعن | Tvj= 25 درجة مئوية Tvj= 125 درجة مئوية Tvj= 150 درجة مئوية | - - - | 4.458 5.176 5.37 | - - - | ||
بيانات SC | Isc | VGE = 15 فولت، فولتCC = 300 فولت tP = 10 ميكروثانية، Tvj = 150 درجة مئوية | - | 960 | - | A | |
المقاومة الحرارية، وصلة الغلاف | RthJC | لكل IGBT | - | - | 0.179 | كيلوواط | |
درجة الحرارة في ظل ظروف التبديل | Tvj op |
| -40
| - | 150 | ℃ | |
الصمام الثنائي، العاكس
أعلى قيم التقييمات
المعلمة | رمز | شروط | قيم | وحدة |
جهد عكسي ذروي متكرر | Vإدارة المخاطر | Tvj=25 درجة مئوية | 650 | V |
تيار مستمر أمامي | IF |
| 200 | A |
تيار أمامي ذروي متكرر | Iمدير | tp=1 مللي ثانية | 400 | A |
القيم المميزة
المعلمة | رمز | شروط | قيم | وحدة | ||||
دقيقة. | النوع. | الأعلى. | ||||||
الجهد الأمامي | VF | VGE = 0 فولت، IF = 200 أمبير | Tvj = 25 درجة مئوية Tvj = 125 درجة مئوية Tvj = 150 درجة مئوية | - - - | 1.661 1.682 1.651 | 2.25 - - | V | |
تيار الاسترداد العكسي الأقصى | IRM | VR=300 فولت، IF =200 أمبير، dIF/dt=5400 أمبير/ميكروثانية | Tvj= 25 درجة مئوية Tvj= 125 درجة مئوية Tvj= 150 درجة مئوية | - - - | 76 85 89 | - - - | A | |
رسوم الاسترداد | Qr | Tvj= 25 درجة مئوية Tvj= 125 درجة مئوية Tvj= 150 درجة مئوية | - - - | 5.251 6.226 6.455 | - - - | µC | ||
طاقة الاسترداد العكسي لكل نبضة | Eإعادة | IF =200 أمبير، VR = 300 فولت، VGE = -15 فولت | Tvj= 25 درجة مئوية Tvj= 125 درجة مئوية Tvj= 150 درجة مئوية | - - - | 1.298 2.049 2.382 | - - - | mJ | |
المقاومة الحرارية، وصلة الغلاف | RthJC | لكل ثنائي | - | - | 0.303 | كيلوواط | ||
ظروف التبديل بسبب ارتفاع درجة الحرارة | Tvj op |
| -40 | - | 150 | ℃ | ||
وحدة
المعلمة | رمز | شروط | قيم | وحدة |
جهد اختبار العزل | VISOL |
| 2.5 | kV |
مادة لوحة قاعدة الوحدة |
|
| Cu |
|
مادة العزل الداخلي |
|
| Al2O3 |
|
مسافة الزحف |
| طرف التوصيل بالمشتت الحراري | 10.0 | mm |
وحدة الحث الطفيلي | Ls |
| 35 | nH |
درجة حرارة التخزين | Tالمرحلة |
| -40 إلى 125 | ∘C |
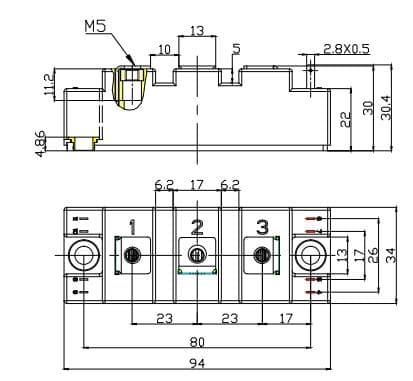
عزم الربط اللازم لتركيب الوحدة | M | برغي M6 - للتثبيت وفقًا لملاحظة التطبيق السارية | 3.0 ~ 6.0 | نيوتن متر |
عزم ربط الأطراف | M | برغي M5 - للتثبيت وفقًا لملاحظة التطبيق السارية | 3.0 ~ 6.0 | نيوتن متر |
وزن | G |
| 163 | g |
خصائص خرج IGBT، العاكس (نموذجي)
IC = f (VCE)
VGE = 15 فولت

خصائص خرج IGBT، العاكس (نموذجي)
IC = f (VCE)
Tvj = 150 درجة مئوية

خاصية نقل IGBT، العاكس (نموذجي)
IC = f (VGE)
VCE = 20 فولت

خسائر التبديل في ترانزستور IGBT، العاكس (نموذجي)
Eon = f (ICهـ)عن = f (IC),
Vجنرال إلكتريك = ±15 فولت، Ron = 4.7 أوم، Rعن = 4.7 أوم، فولتCE = 300 فولت

المعاوقة الحرارية العابرة لترانزستور IGBT، العاكس (نموذجي)
ZthJC = f (t)

الخصائص الأمامية للدايود، العاكس (نموذجي)
IF = f (VF)

مقاومة حرارية عابرة، ثنائي، عاكس (نموذجي)
ZthJC = f (t)

خسائر التبديل في الصمام الثنائي، العاكس (نموذجي)
Eريك = f (IF)، رغون = 4.7 أوم، فولتCE = 300 فولت



اسم: مم
ترك رسالة
امسح ضوئيًا إلى WeChat :
امسح ضوئيًا إلى واتساب :