تم رفع جهد حجب الطاقة لهذه الوحدة إلى 1200 فولت. تتميز بقدرة عالية على تحمل قصر الدائرة الكهربائية ودرجة حرارة تشغيل للوصلة تبلغ 150 درجة مئوية. تستخدم ركيزة نحاسية وتغليفًا قياسيًا، وهي مناسبة لمحولات التردد، ووحدات الإمداد بالطاقة غير المنقطعة، ومحركات القيادة، وتوليد الطاقة الشمسية. تدعم هذه الوحدة الإنتاج بكميات كبيرة، ويمكن تخصيص أطراف التوصيل من نوع المصفوفة حسب الحاجة، مما يوفر مرونة في التكيف مع مختلف تصميمات الدوائر.
الميزات الأساسية للمنتج
1. تصميم مقاوم للجهد العالي 1200 فولت
تم رفع جهد الانهيار إلى 1200 فولت، وهو مناسب لأنظمة الجهد العالي الصناعية، مع مقاومة جهد مستقرة ومقاومة قوية للصدمات.
2. تيار عالي وقدرة خرج عالية 600 أمبير
يبلغ التيار المستمر المقنن 600 أمبير، ويمكن أن يصل تيار الذروة إلى 1200 أمبير، مما يلبي متطلبات تحويل التردد عالي الطاقة وسيناريوهات القيادة.
3. بنية متقدمة لبوابة الأخدود/قطع المجال
هيكل بوابة الخندق + حاجز المجال، مما يقلل من فقد التوصيل، ويحسن كفاءة التبديل والموثوقية.
4. نظام مراقبة درجة الحرارة NTC المدمج في الوقت الفعلي
يحتوي على مقاوم حراري NTC مدمج، يدعم التحكم الدقيق في درجة الحرارة، مما يحسن استقرار النظام على المدى الطويل.
5. قدرة عالية على تحمل قصر الدائرة، أمان أقوى
قدرة ممتازة على تحمل تيار قصر الدائرة، مناسبة للأحمال الصناعية الثقيلة، والتشغيل والإيقاف المتكرر، وغيرها من سيناريوهات الطلب العالي.
6. قاعدة نحاسية + تغليف قياسي، تبديد حرارة ممتاز
انخفاض المقاومة الحرارية للوحة النحاسية الأساسية، وتبديد سريع للحرارة، وعمر أطول.
7. تشغيل مستقر في نطاق واسع من درجات الحرارة، من الدرجة الصناعية
قابل للتكيف مع البيئات القاسية، ومناسب للمواقع الخارجية والصناعية.
خمسة أسباب لاختيار WISEDRV
1. تصميم أصلي - جودة ثابتة وقابلة للتحكم
وحدة IGBT مطورة ذاتيًا، بدءًا من تصميم الشريحة وحتى التغليف والاختبار، تضمن عملية التحكم الكاملة اتساقًا عاليًا ومعدل فشل منخفض.
2. أداء عالٍ وسعر مناسب - إمداد مستقر
أداء عالٍ، سعر أفضل، توصيل أسرع، ودعم لإمدادات الدفعات المستقرة.
3. اختبارات صارمة - ضمان موثوق
تخضع كل وحدة لاختبارات موثوقية متعددة مثل جهد تحمل العزل، والمقاومة الحرارية، وخصائص التبديل، ودورات درجات الحرارة العالية/المنخفضة.
4. دعم فني شامل
تقديم حلول التطبيقات، واقتراحات مطابقة المحركات، وتوجيهات تصميم تبديد الحرارة، والتعاون التقني.
5. مخزون البضائع - الإنتاج الضخم
يتوفر المخزون بشكل منتظم، ويدعم الطلبات المجمعة، والتسليم السريع دون تأخير دورات المشروع.
سيناريوهات التطبيق المناسبة
محول التردد
مزود الطاقة غير المنقطع
محركات القيادة
الطاقة الشمسية
مصنعنا وقدراتنا الإنتاجية
1. خط إنتاج حديث لتغليف وحدات IGBT.
2. اعتماد هيكل التغليف القياسي الصناعي.
3. فحص كامل عند مغادرة المصنع لضمان اتساق المنتج.
4. حماية صارمة من الكهرباء الساكنة وورشة عمل خالية من الغبار.
5. مجهزة بمختبرات لاختبار التقادم والموثوقية في درجات الحرارة العالية والمنخفضة.
معايير المواصفات:
IGBT، العاكس
القيم القصوى المقدرة
المعلمة | رمز | شروط | قيمة | وحدة |
جهد الجامع-الباعث | Vمعرض الإلكترونيات الاستهلاكية | Tvj=25℃ | 1200 | V |
تيار مستمر أمامي | Iجنوم | TC=75℃ Tفي جي ماكس=175℃ | 600 | A |
تيار أمامي ذروي متكرر | Iإدارة علاقات العملاء | tp=1 مللي ثانية | 1200 | A |
إجمالي تبديد الطاقة | Pطفل صغير | TC=25℃, Tفي جي ماكس=175℃ | 2727 | W |
ذروة جهد البوابة-الباعث | Vجي إي إس |
| ±30 | V |
القيم المميزة
المعلمة | رمز | شروط | قيمة | وحدة | |||
دقيقة. | النوع. | الأعلى. | |||||
جهد تشبع الجامع-الباعث | VCE(sat) | VGE = 15 فولت، IC = 600 أمبير | Tvj = 25 درجة مئوية Tvj=125 درجة مئوية Tvj=150 درجة مئوية | - - - | 2.31 2.86 2.98 | 3 - - | V |
جهد عتبة البوابة | Vجي إي (الجيل الرابع) | IC = 23 مللي أمبير، فولتCE = VGE, Tvj = 25 درجة مئوية | 4.0 | 6.11 | 7.0 | V | |
تيار قطع الجامع-الباعث | Iمعرض الإلكترونيات الاستهلاكية | VCE = 1200 فولت، فولتGE = 0 فولت Tvj = 25 درجة مئوية | - | - | 1 | mA | |
تيار التسرب بين البوابة والباعث | IGES | VCE = 0 فولت، فولتGE = 20 فولت، درجة الحرارةvj = 25 درجة مئوية | - | - | 400 | nA | |
رسوم البوابة | QG | VCC = 600 فولت، IC = 600 أمبير، VGE = 15 فولت | - | 3260 | - | nC | |
وقت تأخير التشغيل | tد(ون) | VCE=600 فولت، IC = 600 أمبير، VGE = ±15 فولت، RG= 10.0 أوم | Tvj= 25 درجة مئوية Tvj=125 درجة مئوية Tvj=150 درجة مئوية | - - - | 0.52 0.45 0.43 | - - - | μs |
زمن الصعود، الحمل الاستقرائي | tr | Tvj= 25 درجة مئوية Tvj=125 درجة مئوية Tvj=150 درجة مئوية | - - - | 0.27 0.29 0.30 | - - - | ||
زمن تأخير الإيقاف، الحمل الاستقرائي | td(off) | Tvj= 25 درجة مئوية Tvj=125 درجة مئوية Tvj=150 درجة مئوية | - - - | 1.27 1.33 1.34 | - - - | ||
زمن السقوط، الحمل الاستقرائي | tf | Tvj= 25 درجة مئوية Tvj=125 درجة مئوية Tvj=150 درجة مئوية | - - - | 0.51 0.51 0.47 | - - - | ||
فقد الطاقة عند التشغيل لكل نبضة | Eتشغيل | Tvj= 25 درجة مئوية Tvj=125 درجة مئوية Tvj=150 درجة مئوية | - - - | 174 220 238 | - - - | mJ | |
إيقاف فقد الطاقة لكل نبضة | Eإيقاف | Tvj = 25 درجة مئوية Tvj=125 درجة مئوية Tvj=150 درجة مئوية | - - - | 172 175 169 | - - - | ||
بيانات SC | ISC | VGE =15 فولت، فولتنسخة = 600 فولت tP = 10 ميكروثانية، Tvj = 150 درجة مئوية | - | 2734 | - | A | |
المقاومة الحرارية، وصلة الغلاف | RthJC | لكل IGBT | - | - | 0.055 | كيلوواط | |
درجة الحرارة في ظل ظروف التبديل | Tvj op |
| -40 | - | 150 | ℃ | |
الصمام الثنائي، العاكس
أعلى قيم التقييمات
المعلمة | رمز | شروط | قيمة | وحدة |
جهد عكسي ذروي متكرر | Vإدارة المخاطر | Tvj=25 درجة مئوية | 1200 | V |
تيار مستمر أمامي | IF |
| 600 | A |
تيار أمامي ذروي متكرر | Iمدير | tp=1 مللي ثانية | 1200 | A |
القيم المميزة
المعلمة | رمز | شروط | قيمة | وحدة | |||
دقيقة. | النوع. | الأعلى. | |||||
الجهد الأمامي | VF | VGE = 0 فولت، IF = 600 أمبير | Tvj = 25 درجة مئوية Tvj=125 درجة مئوية Tvj=150 درجة مئوية | - - - | 2.34 2.39 2.41 | 3.0 - - | V |
تيار الاسترداد العكسي الأقصى | IRM | VR = 600 فولت، -ديF/dt=631A/µs (Tvj=150 درجة مئوية) IF= 600 أمبير VGE=-15 فولت | Tvj= 25 درجة مئوية Tvj=125 درجة مئوية Tvj=150 درجة مئوية | - - - | 125 205 228 | - - - | A |
رسوم الاسترداد | Qr | Tvj= 25 درجة مئوية Tvj=125 درجة مئوية Tvj=150 درجة مئوية | - - - | 7.70 7.76 7.58 | - - - | μC | |
طاقة الاسترداد العكسي لكل نبضة | Eريك | Tvj= 25 درجة مئوية Tvj=125 درجة مئوية Tvj=150 درجة مئوية | - - - | 6.72 19.3 25.5 | - - - | mJ | |
المقاومة الحرارية، وصلة الغلاف | RthJC | لكل ثنائي | - | - | 0.097 | كيلوواط | |
درجة الحرارة في ظل ظروف التبديل | Tvj op |
| -40 | - | 150 | ℃ | |
مقاوم حراري NTC
القيم المميزة
المعلمة | رمز | شروط | قيمة | وحدة |
المقاومة المقدرة | R25 | Tهيئة الاتصالات الوطنية=25℃ | 5.00 | kΩ |
انحراف بقيمة 100 ريال | |∆R|/R | Tهيئة الاتصالات الوطنية = 100 درجة مئوية، R100 = 493 أوم | 5 | % |
قيمة B | B25/50 | محسوبة من قيمة المقاومة عند 25℃و50℃ | 3375 | K |
قيمة B | B25/80 | محسوبة من قيمة المقاومة عند 25℃ و80℃ | 3411 | K |
قيمة B | B25/100 | محسوبة من قيمة المقاومة عند 25℃و100℃ | 3433 | K |
وحدة
المعلمة | رمز | شروط | قيم | وحدة |
جهد اختبار العزل | Vعزل | RMS، f=0 هرتز، t=1.2 ثانية | 4.7 | kV |
مادة لوحة قاعدة الوحدة |
|
| Cu |
|
مادة العزل الداخلي |
|
| Al2O3 |
|
مسافة الزحف |
| طرف التوصيل بالمشتت الحراري من محطة إلى محطة | 15.0 13.0 | mm |
التخليص الجمركي |
| طرف التوصيل بالمشتت الحراري من محطة إلى محطة | 12.5 10.0 | mm |
وحدة الحث الطفيلي | LS |
| 20 | nH |
درجة حرارة التخزين | Tالمرحلة |
| -40 ~125 | ℃ |
عزم الربط اللازم لتركيب الوحدة | M | برغي M5 - التركيب وفقًا لملاحظة التطبيق السارية | 3.0 ~ 6.0 | نيوتن متر |
عزم ربط الأطراف | M | برغي M6 - التركيب وفقًا لملاحظة التطبيق السارية | 3.0 ~ 6.0 | نيوتن متر |
وزن | G |
| 348 | g |
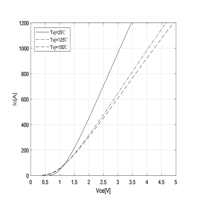
خصائص خرج IGBT، العاكس (نموذجي)
IC = f (VCE)
VGE = 15 فولت

خصائص خرج IGBT، العاكس (نموذجي)
IC = f (VCE)
Tvj = 150 درجة مئوية

خاصية نقل IGBT، العاكس (نموذجي)
IC = f (VGE)
VCE = 20 فولت

خسائر التبديل في ترانزستور IGBT، العاكس (نموذجي)
Eon = f (ICهـ)عن = f (IC)
VGE = ±15 فولت، RG = 10 أوم، فولتCE = 600 فولت

المعاوقة الحرارية العابرة لترانزستور IGBT، العاكس (نموذجي)
ZthJC = f (t)

الخصائص الأمامية للدايود، العاكس (نموذجي)
IF = f (VF)

مقاومة حرارية عابرة، ثنائي، عاكس (نموذجي)
ZthJC = f (t)

خسائر التبديل في الصمام الثنائي، العاكس (نموذجي)
Eريك = f (IF)، رon = 10.0Ω,VCE = 600 فولت

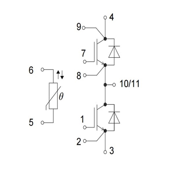
عنوان مخطط الدائرة

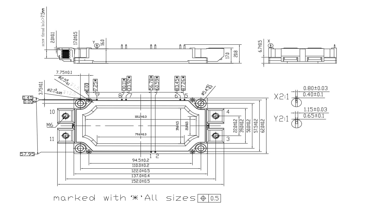
مخططات الحزمة

وحدة:mm
ترك رسالة
امسح ضوئيًا إلى WeChat :
امسح ضوئيًا إلى واتساب :