
مواصفات المعلمات
حاصل على شهادة كاملة لـ شهادة IATF 16949، وشهادة CE
| لا. | غرض | الوصف / المواصفات | لا. | غرض | الوصف / المواصفات | ملاحظات |
|---|
| وحدة تحكم المولد | وحدة تحكم المحرك | - |
| 1 | نوع المنتج | وحدة تحكم المولد | 1 | نوع المنتج | وحدة تحكم المحرك | / |
| 2 | نوع المستشعر المتوافق | مستشعرات تأثير هول | 2 | نوع المستشعر المتوافق | مستشعرات تأثير هول والمشفرات المغناطيسية | يدعم أجهزة التشفير التي تعمل بجهد 5 فولت |
| 3 | نطاق جهد التشغيل | 35-85 فولت تيار مستمر | 3 | نطاق جهد التشغيل | 35-85 فولت تيار مستمر | / |
| 4 | الجهد المقنن | 48 / 60 / 72 فولت تيار مستمر | 4 | الجهد المقنن | 48 / 60 / 72 فولت تيار مستمر | / |
| 5 | التيار المقنن / تيار الطور الأقصى | 60 أمبير / 260 أمبير | 5 | التيار المقنن / تيار الطور الأقصى | 110 أمبير / 260 أمبير | / |
| 6 | تيار ناقل التيار المستمر | 80 أ | 6 | تيار ناقل التيار المستمر | 100 أ | / |
| 7 | واجهة الاتصال | One-Wire / CAN 2.0 | 7 | واجهة الاتصال | One-Wire / CAN 2.0 | / |
| 8 | طريقة التبريد | التبريد الطبيعي بالهواء (السلبي) | 8 | طريقة التبريد | ألواح تبريد سائلة خارجية | كما يدعم التبريد بالهواء الطبيعي |

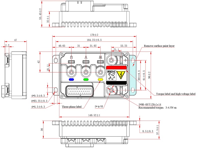
مواصفات الواجهة
مخطط مظهر الواجهة


مخطط واجهة موصل الجهد المنخفض 


مزايا المنتج
1. بنية ثنائية الوضع حقيقية: القيادة والتوليد
منصة أجهزة واحدة، ونمطان تشغيليان متميزان مصممان خصيصاً لأنظمة نقل الحركة المعقدة:
وضع المحرك عالي الأداء: يوفر تسارعًا قويًا بتيار مقنن 110 أمبير وذروة تيار هائلة تبلغ 260 أمبير، مما يضمن أن سيارتك تتغلب على التلال وتصل إلى السرعات القصوى بسهولة.
وضع المولد الذكي/ISG: مثالي لموسعات نطاق السيارات الهجينة. يدعم التشغيل والإيقاف، والمساعدة في الطاقة، وبروتوكولات الشحن الدقيقة ذات الجهد الثابت (CV) / التيار الثابت (CC) لزيادة عمر البطارية وكفاءة استهلاك الوقود إلى أقصى حد.
2. كثافة طاقة ومقاومة حرارية لا مثيل لها
صُممت لتلبية المتطلبات الصارمة للتنقل عالي السرعة:
قدرة هائلة على التعامل مع التيار: مع ذروة تيار طور تبلغ 260 أمبير في كلا الوضعين، فإن وحدة التحكم هذه تتعامل مع ارتفاعات الحمل الشديدة دون حدوث أي عطل.
خيارات تبريد مرنة:
المعيار: تبريد طبيعي مُحسَّن بالهواء لتصميمات خفيفة الوزن وفعالة من حيث التكلفة.
ترقية احترافية: واجهة لوحة تبريد مياه خارجية اختيارية لإنتاج طاقة عالية مستدامة في التطبيقات المغلقة أو الشاقة، مما يمنع التباطؤ الحراري أثناء عمليات الصعود الطويلة.
3. استشعار دقيق وتحكم سلس
استمتع بتشغيل هادئ للغاية وتوصيل عزم دوران سلس كالحرير:
دعم المستشعر المزدوج: متوافق مع مستشعرات هول القياسية لضمان موثوقية التوصيل والتشغيل.
جاهزية التشفير عالي الدقة: دعم اختياري لأجهزة التشفير المغناطيسية 5 فولت، مما يتيح خوارزميات FOC المتقدمة للتحكم فائق السلاسة في السرعات المنخفضة وأداء NVH (الضوضاء والاهتزاز والخشونة) المتفوق.
4. اتصال وتخصيص يضمنان التوافق مع المستقبل
الاتصالات المتقدمة: يضمن الدعم الأصلي لبروتوكولات CAN 2.0 و One-Wire التكامل السلس مع أنظمة إدارة المباني ولوحات المعلومات ووحدات الإدارة الهجينة.
التصميم المعياري:
مرونة MOSFET: اختر وحدات MOSFET المحسّنة لتحقيق التوازن بين التكلفة والكفاءة لفئة الجهد المحددة لديك (48 فولت / 60 فولت / 72 فولت).
التكامل مع تقنية البلوتوث: تتيح تقنية البلوتوث المدمجة الاختيارية التشخيص في الوقت الفعلي، وضبط المعلمات عبر تطبيقات الهواتف الذكية، وتحديثات البرامج الثابتة عبر الهواء (OTA).